行业知识

变压器间隔使用225kv母线电压与90kv母线实现检同期的研究知识

2022-04-28 20:57:17 科威电气

变压器间隔使用225kv母线电压与90kv母线实现检同期的研究知识


图片关键词

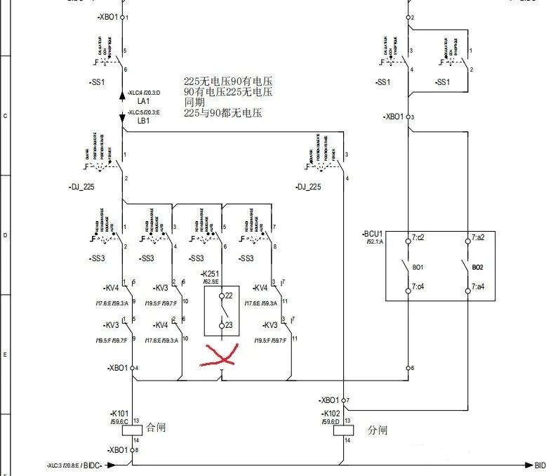
保护主接线图,图纸上是某国一个站变压器间隔,变压器的高压侧无PT。使用90k母线电压与225kv母线电压实现捡同期合闸变压器高压侧断路器dj。

图片关键词

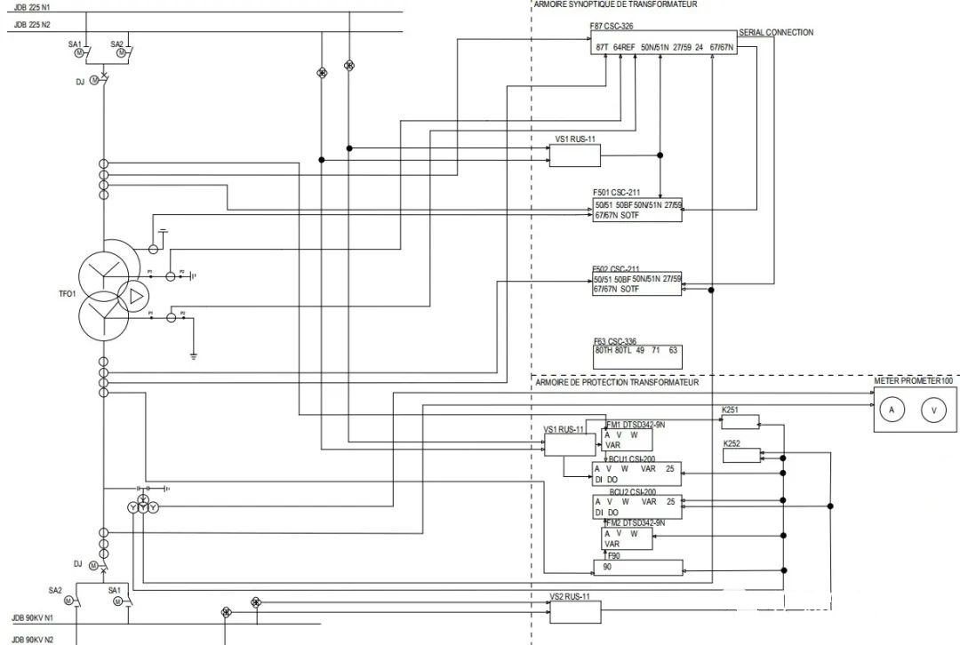
上图是变压器工作在升压模式下变压器高压侧电压。

图片关键词

手动合闸配置了k251用与手动合闸同期。因为考虑到同期电压非常不可靠。原本k251的23接XB01.5接线拆除。

图片关键词

在BCU装置里做一下逻辑实现捡无压合闸。

图片关键词

图片关键词

图片关键词

图片关键词

捡同期不用了自己做一个用与捡无压的逻辑。17板卡开出闭锁现场就地合闸断路器。虽然这是最简单的办法,但不是最好的办法。

最好的办法是取变压器的档位进BCU装置




TAG: 变压器
首页
产品
新闻
联系