新闻动态

  • 投入式液位变送器的工作原理及适用介质

    投入式液位变送器是用来测量液体高度的设备,它的工作原理其实不复杂。简单说,就是利用液体的压力来换算出液位的高度。它有一个探头,通常是一个带传感器的金属探头,使用的时候把这个探头直接放进要测量的液体里,比如水池、水箱或者其他装液体的容器。

    2025-09-25 科威

  • 浮筒液位计原理及校验

    浮筒液位计原理 一个横截面积处处相等的长条状浮子垂直浸入液体时,浮子受的浮力大小随浮子浸入液体的长度呈线性变化,检测这个力的变化可以知道浮子浸入液体的长度,并进而获得液位高低。

    2025-09-19 科威

  • 双法兰变送器的毛细管是否需要保温?

    一般情况下不需要保温 在正常的环境条件下,双法兰毛细管内的填充液(如硅油)自身具备较好的温度适应能力,能正常应对日常的温度变化,此时可不必采取额外的保温措施,既节省了成本又减少了不必要的维护工作。

    2025-09-19 科威

  • 水封罐液位计测量原理及故障处理

    水封罐液位计位于80单元,是火炬尾气处理的重要仪表组成部分,对水封罐液位起着重要检测作用,当液位高于液位计设定值时,液位计会产生报警,工艺通过关闭进水切断阀,阻断介质流入水封罐,当液位低时,工艺通过打开进水阀进行补水,以保障生产的安全。

    2025-08-29 科威

  • 关于双法兰液位变送器测量界位的注意事项

    界位是指两种不同介质之间的界面高度,双法兰测量界位是通过测量两种不同密度介质之间的压力差来确定界面高度的。广泛应用于油水界面、油水分离等场景中。

    2025-08-25 科威

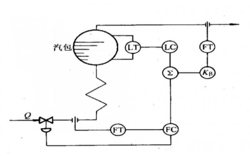
  • 锅炉汽包液位三冲量控制系统

    主被控变量:汽包液位,由液位变送器(LT)测量,经导压管将汽包内液位信号引出,送至主调节器(LC)。 副被控变量:给水流量,由流量变送器(FT2)测量,安装在给水管道的孔板处,通过导压管将差压信号转换为电信号,送至副调节器(FC)。

    2025-08-08 科威

  • 液位变送器的零点迁移问题

    液位变送器的迁移是指在实际应用中,由于安装位置、介质特性或隔离液等因素的影响,导致差压变送器测量的液位与实际液位存在偏差。为了使变送器能够正确指示液位高度,需要对变送器进行迁移处理,包括无迁移、负迁移和正迁移三种情况。所谓“迁移”,是在量程不变的情况下,将变送器的测量范围进行移动。

    2025-06-09 科威

  • 压力变送器的正迁移、负迁移、无迁移?

    变送器的迁移为负迁移,正迁移,无迁移这三个。那么什么情况下是正迁移,负迁移,什么情况下是无迁移。 正迁移向正方向移动,负迁移向负方向移动,而且移动的距离即为迁移量。 因此,正、负迁移的实质是通过调校变送器,改变量程的上、下限值,而量程的大小不变。 也可以这样记忆:当输入压力为零时 (0%),输出电流信号也为零 (0%),为无迁移;当输入压力为零时 (0%),输出电流信号为正向,大于工作零点,为负迁移;当输入压力为零时 (0%),输出电流信号为负向,小于工作零点,为正迁移。

    2025-06-05 科威

上一页12345下一页 转至第
首页
产品
新闻
联系